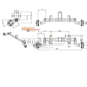
Popis a parametry
- nebrzděná náprava KNOTT VG-7L
- nosnost nápravy 750 kg
- šírka uchycení na rám b = 1000 mm
- celková šířka nápravy c = 1580 mm
- rozteč děr na kolové šrouby 100 x 4, závit M12x1,5
- úhel sklonu ramene 28°
- povolený zális disku ET 0-30 mm
- podpěra podlahy ve středu nápravnice
- náboje s kompaktními ložisky (dvouřádkové kuličkové uzavřené ložisko)
- pro nebrzděný přívěs HANDY 7,8,27,28 (od cca 01/2012) VZ EXCLUSIVE 7, ALUX 7 cca od 11/2011
- výrobce: Knott
- ID dílu: YA0024.010-1
 
					 
	 
	 
	 
	 
	